Name:Main circuit,Rated working voltage (Ue),Unit:kV,Value:12;
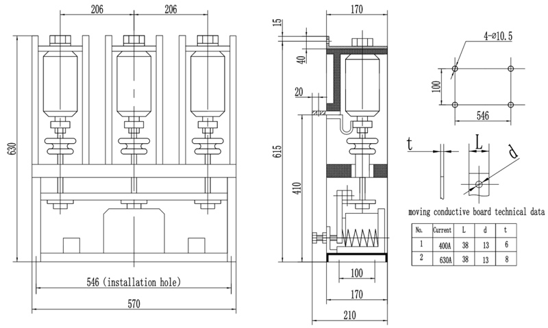
Name:Main circuit,Rated working current (Ie)Unit:A,Value:400,630;
Name:Main circuit,Rated frequency (fr),Unit:Hz,Value:50
|
Name |
Unit |
Value |
||
|
Main circuit |
Rated working voltage (Ue) |
kV |
12 |
|
|
Rated working current (Ie) |
A |
400,630 |
||
|
Rated frequency (fr) |
Hz |
50 |
||
|
Rated making capacity |
A |
10Ie (AC-4) |
||
|
Rated breaking capacity |
A |
8Ie (AC-4) |
||
|
Rated short time withstand current |
A |
10Ie |
||
|
Rated peak withstand current |
A |
25Ie |
||
|
Rated short circuit duration |
s |
4 |
||
|
Power frequency withstand voltage |
Wiring terminal to earth |
kV |
42 |
|
|
Vacuum breaks |
kV |
42 |
||
|
Lightening impulse withstand voltage |
kV |
75 |
||
|
Control circuit |
Rated voltage (Us) |
V |
AC or DC. 110/220 |
|
|
Rated power (Ps) electric holding |
VA |
≤1000/100(absorbing/holding) |
||
|
Auxiliary circuit |
Form |
|
3a+2b |
|
|
Rated value |
|
AC 380V/5A, DC 380V/1A |
||
|
Control circuit, auxiliary circuit to earth power frequency withstand voltage |
kV |
2 |
||
|
Rated operating frequency |
Long-term |
time/h |
300 |
|
|
Short-term |
time/h |
600 |
||
|
Mechanical endurance |
10000 times |
30 |
||
|
Electrical endurance |
10000 times |
10 |
||
|
Mechanical characteristics |
Closing time |
ms |
≤200 |
|
|
Original opening time |
ms |
≤160 |
||
|
3-phase synchronism |
ms |
≤3 |
||
|
Closing tripping |
ms |
≤15 |
||
|
Net weight |
kg |
49.5 |
||

If you have any enquiry about quotation or cooperation,please free to email us at niki@zhiyue.com or use the following enquiry form,Our sales representative will contact you within 24 hous.thank you for your interest in our products.